Resources
Resources
Kinghelm DC Power Connector KH-FSDC-30002-03DBAP-A0: IPX7 Vertical Through-Hole Design for Reliable Power Connection
2026-01-17 9

As electronic devices continue to evolve toward higher integration and broader application environments, the reliability of power interfaces has become an important consideration in system design. A DC power connector is not only responsible for power transmission, but also plays a key role in mechanical stability, environmental adaptability, and long-term operational consistency.

The Kinghelm DC Power Connector KH-FSDC-30002-03DBAP-A0 is a vertical through-hole DC power jack designed with a focus on structural stability and environmental protection. With well-defined interface dimensions and an IPX7-rated waterproof structure, this model is suitable for a wide range of applications that require stable and consistent DC power connections.


Kinghelm KH-FSDC-30002-03DBAP-A0 Product Image


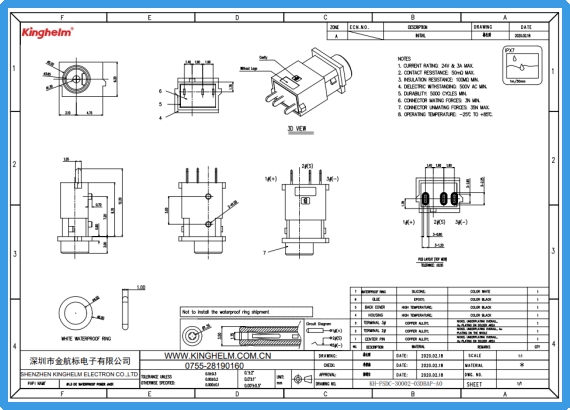
Product Overview and Structural Design

The KH-FSDC-30002-03DBAP-A0 features a vertical through-hole configuration with an overall height of approximately 15.2 mm, making it suitable for PCB layouts where space efficiency and mechanical strength are both required. The connector adopts a 3-pin structure, allowing greater flexibility in circuit design compared to traditional two-pin DC power jacks.

In terms of interface dimensions, this DC power connector is designed with an outer diameter of 5.0 mm, an inner diameter of 3.65 mm, and a pin diameter of 1.3 mm. These specifications fall within commonly used DC power interface standards, helping ensure compatibility with a wide range of DC power plugs and reducing the need for custom adaptations during system development.


Advantages of Vertical Through-Hole Installation

The vertical through-hole design provides several practical benefits in real-world applications. By inserting directly into the PCB, the connector achieves strong mechanical anchoring, which helps reduce stress on solder joints during repeated plug-in and unplugging operations.

This structure also supports clear internal layout planning, especially in compact electronic assemblies. The through-hole package is compatible with wave soldering and manual soldering processes, making it suitable for both automated production lines and flexible manufacturing environments.


IPX7 Waterproof Performance for Enhanced Reliability

Power interfaces are often exposed to moisture, condensation, or accidental splashes, especially in semi-outdoor or industrial environments. The KH-FSDC-30002-03DBAP-A0 is designed with IPX7 waterproof protection, achieved through optimized sealing and connector structure.

This level of protection helps maintain stable electrical contact under challenging environmental conditions and reduces the likelihood of performance degradation caused by water ingress. As a result, the connector can be considered for applications where environmental resistance is an important design factor.


3-Pin Configuration and Design Flexibility

The 3-pin layout of the KH-FSDC-30002-03DBAP-A0 offers additional flexibility for system designers. In addition to positive and negative power transmission, the extra pin can be used for grounding, signal detection, or functional control depending on circuit requirements.

This design approach allows engineers to implement more advanced power management or monitoring functions without changing the connector interface, which can be beneficial for product upgrades and extended functionality.


Packaging and Production Compatibility

The connector uses a through-hole package and is supplied in tape packaging, supporting organized handling during production and assembly. With a unit weight of approximately 2.25 g, the product is easy to manage in logistics and inventory processes.

Consistent packaging and standardized structure make this model suitable for batch production and long-term supply scenarios, helping manufacturers maintain stable assembly processes across different projects.


Brand Background and Product Consistency

As part of the Kinghelm (Kinghelm) connector portfolio, the KH-FSDC-30002-03DBAP-A0 follows a consistent approach to model identification, structural design, and parameter definition. This consistency supports efficient product selection and replacement in multi-project environments.

Kinghelm focuses on microwave RF and connection technologies, offering products such as BeiDou/GPS antennas, Bluetooth antennas, Wi-Fi antennas, RF cable assemblies, signal connectors, board-to-board connectors, and power interface components. This diversified product range supports integrated system-level design across different electronic applications.

With standardized development and production processes, including design, tooling, testing, and mass production, Kinghelm connectors are designed to maintain structural and performance consistency in large-scale applications.


Typical Application Scenarios

Based on its structural features and protection level, the KH-FSDC-30002-03DBAP-A0 can be used in a variety of electronic systems, including:

  • Smart home and smart terminal devices

  • Industrial control and automation equipment

  • Automotive electronic accessories

  • Semi-outdoor electronic systems requiring enhanced protection

These application scenarios benefit from the connector’s stable mounting, standard interface dimensions, and waterproof characteristics.


selection and Usage Considerations

When selecting a DC power connector, factors such as interface size, protection level, mounting method, and operating environment should be evaluated together. The KH-FSDC-30002-03DBAP-A0 is suitable for applications that require a balance between environmental resistance and installation compatibility.

Proper PCB hole sizing and controlled soldering parameters are recommended to ensure reliable electrical and mechanical performance during long-term use.


Kinghelm KH-FSDC-30002-03DBAP-A0 Specification


Conclusion

As electronic systems become more diverse in their operating environments, DC power connectors are increasingly expected to provide more than basic connectivity. The Kinghelm DC Power Connector KH-FSDC-30002-03DBAP-A0, with its vertical through-hole structure, IPX7 waterproof design, and standardized interface dimensions, offers a practical solution for stable power connections across multiple application scenarios.

With a focus on structural reliability and design compatibility, this connector supports long-term system stability and adaptable power interface design.


About Kinghelm

Shenzhen Kinghelm Electronics Co., Ltd.(www.kinghelm.net)has technical backbones from Tsinghua University and UESTC, and has introduced overseas returnee professionals. Kinghelm is able to develop highly reliable and high-performance antenna and connector products.KH series products of "Kinghelm" brand include Beidou/GPS antennas, RF adapter connectors, plug connector, electrical data connectors, terminals, and customized vehicle harnesses, industrial / medical connectors, and special antenna connectors."Kinghelm connects world", Kinghelm has grown with the development of China's Beidou industry. Starting from supplying Beidou/GPS dual mode antennas, IPEX terminals, and RF adapter cables for automotive manufacturers, Kinghelm has continuously developed products. Currently, it has a series of WiFi, Bluetooth, NB-loT, LoRa, Zigbee, UWB, and GSM antennas, RFID tags, RF adapter cables, standard microwave antennas, vehicle grade SMA, SMB, FAKRA holders, coaxial cables, and can customize non-standard antenna connectors based on customer drawings or samples.


Related Recommendations

Service Hotline

0755-23615795

Beidou/GPS Antenna Consultation

Board-end Socket Consultation

Connector Consultation

Get Product Information