Service Hotline
1.Preparation
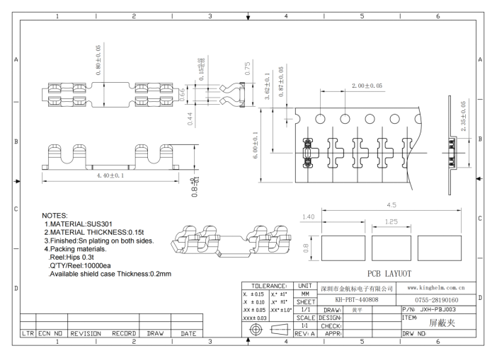
Verify Model and Specifications: Ensure the KH-PBJ-440808 shield clip matches the target component or circuit’s dimensions. Inspect for defects such as damage or deformation.
Tool Preparation: Prepare tools (e.g., tweezers, screwdrivers, wrenches) based on installation requirements.
2.Positioning
Surface Cleaning: Thoroughly clean the installation area to remove dust, grease, or debris, ensuring optimal contact and adhesion.
Location Determination: Position the shield clip per circuit design or equipment guidelines, typically near interference-prone areas or sources. Avoid conflicts with adjacent components or wiring.
3.Installation
Placement: Use tweezers to position the shield clip, aligning its opening with the target component or circuit for proper clamping.
Securing:
For clips with mounting holes: Fix using screws, nuts, or bolts.
For snap-on clips: Align with mating slots or protrusions and press gently until fully engaged. Avoid excessive force to prevent damage.
Inspection: Verify tight contact between the clip and shielded component, eliminating gaps or looseness. Adjust or reinstall if necessary.
4.Testing and Validation
Electrical Performance Test: Use a multimeter or oscilloscope to evaluate shielding effectiveness, including electromagnetic interference (EMI) reduction and signal stability.
Functional Test: Operate the system under real-world conditions to confirm normal functionality post-installation.

About Kinghelm
Kinghelm?is a leading provider of high-quality electronic components,including RoHS-compliant antennas, wires, plug-ins, switches, and connectors. With over 17 years of experience, the company serves industries including automotive, telecommunications, industrial automation, medical devices, and consumer electronics. Kinghelm is known for its durable, reliable components that meet international standards and are used in applications ranging from renewable energy to IoT devices.



